Ò»¡¢Ð¡Ðò
Á÷ÑÓ±¡Ä¤¾ßÓÐÓÅÔ½µÄÈÈ·âÐÔÄܺÍÓÅÁ¼µÄ͸Ã÷ÐÔ£¬£¬£¬£¬£¬£¬£¬ÊÇÖ÷ÒªµÄ°ü×°¸´ºÏ»ù²ÄÖ®Ò»£¬£¬£¬£¬£¬£¬£¬ÓÃÓÚÉú²ú¸ßÎÂÕôÖóĤ¡¢Õæ¿Õ¶ÆÂÁĤµÈ£¬£¬£¬£¬£¬£¬£¬Êг¡¼«Îª¿´ºÃ¡£¡£¡£¡£¡£¡£¡£¡£Ëæ×ź£ÄÚÁ÷ÑÓĤÊг¡µÄÐèÇóÌáÉý£¬£¬£¬£¬£¬£¬£¬ÏȽøµÄÁ÷ÑÓĤ»úÒ²ÓÐÁËÁÉÀ«µÄÊг¡£¡£¡£¡£¡£¡£¡£¡£¬£¬£¬£¬£¬£¬£¬×Ô¶¯»¯µÄÁ÷ÑÓĤÉú²úÏßÓÐ×Å×ÆË¸µÄÔ¶¾°¡£¡£¡£¡£¡£¡£¡£¡£
Á÷ÑÓĤ¼·³ö»úͨ¹ý¼ÓÈÈÖÊÁÏ£¬£¬£¬£¬£¬£¬£¬¼·Ñ¹ÖÊÁϽ¬£¬£¬£¬£¬£¬£¬£¬Ñ¹ÖÆÀäÈ´£¬£¬£¬£¬£¬£¬£¬ÊÕ¾í°ü×°µÈÀú³Ì£¬£¬£¬£¬£¬£¬£¬½«ÖÊÁÏ¿ÅÁ£»£»£»£»£»£»ò·ÛÄ©¼Ó¹¤³ÉÁ÷ÑÓĤ²úÆ·¡£¡£¡£¡£¡£¡£¡£¡£
¶þ¡¢¿ØÖÆÒªÇó
²î±ðÖÊÁϵÄÌí¼ÓÁ¿¿ØÖÆ
ģͷ¼ÓÈÈÎÂ¶È¼à¿ØÓëµ÷Àí
Ç£Òý¹õ¡¢ÀäÈ´¹õ¡¢Ñ¹»¨¹õͬ²½
ÊÕ¾íÕÅÁ¦·´Ïì¡¢µ÷Àí
ƾ֤ÊÕ¾í³¤¶È¾ÙÐÐÇи»»¾í¿ØÖÆ
Èý¡¢¿ØÖƼƻ®

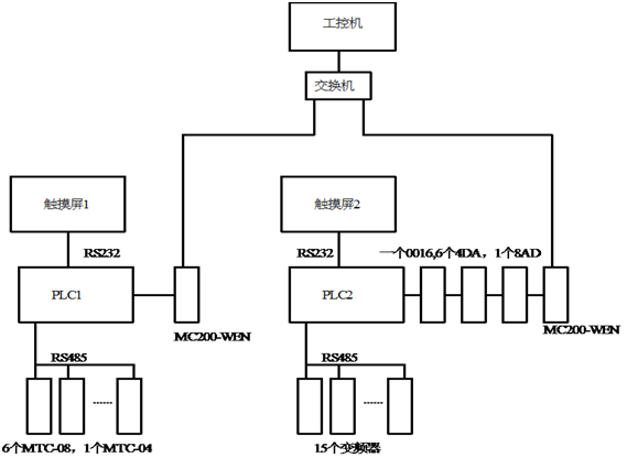
Òò¸ÃÉú²úÏß½ÏÁ¿³¤£¨´©¹ýÈý¸ö·¿¼ä£©£¬£¬£¬£¬£¬£¬£¬±¾ÏµÍ³°Ñ¼ÓÈȲ¿·ÖºÍ´«¶¯²¿·Ö»®·Ö¾ÙÐе¥¶À¿ØÖÆ¡£¡£¡£¡£¡£¡£¡£¡£¼ÓÈȲ¿·Öͨ¹ýÍâµØ´¥ÃþÆÁ×ÔÁ¦¿ØÖƼÓÈÈ£¬£¬£¬£¬£¬£¬£¬´«¶¯²¿·ÖÔòͨ¹ýÍâµØ´¥ÃþÆÁ¾ÙÐе¥¶¯ºÍÁª¶¯²Ù×÷¡£¡£¡£¡£¡£¡£¡£¡£
ͬʱ£¬£¬£¬£¬£¬£¬£¬ÔÚÖпØÊÒÀïͨ¹ýWilliamHillÖÐÎĹٷ½ÍøÕ¾µçÆø¹«Ë¾µÄ×é̬Èí¼þ ViewPanel ¶ÔÕû¸öÁ÷ÑÓĤ¿ØÖÆÏµÍ³¾ÙÐвÙ×÷¡£¡£¡£¡£¡£¡£¡£¡£¼ÓÈÈ¡¢´«¶¯¡¢ÖпØÊÒÖ®¼ä½ÓÄÉÒÔÌ«ÍøµÄ·½·¨¾ÙÐÐͨѶ¡£¡£¡£¡£¡£¡£¡£¡£
´«¶¯ÏµÍ³£º PLC ¿ØÖÆ±äÆµÆ÷£¬£¬£¬£¬£¬£¬£¬µ÷ÀíιÁϵç»úµÄתËÙ£¬£¬£¬£¬£¬£¬£¬ÊµÏÖÖÊÁÏÌí¼ÓÁ¿µÄ¿ØÖÆ¡£¡£¡£¡£¡£¡£¡£¡£µ÷ÀíתËÙ¼á³ÖÇ£Òý¹õ¡¢ÀäÈ´¹õ¡¢Ñ¹»¨¹õµÄͬ²½¡£¡£¡£¡£¡£¡£¡£¡£
¼ÓÈÈϵͳ£ºÍ¨¹ý MTC οØÄ£¿£¿£¿£¿£¿£¿£¿£¿é¿ØÖÆÕûÌåιÁÏ¡¢¼·³öµÈµÄζȡ£¡£¡£¡£¡£¡£¡£¡£ MTC ×Ô´ø PID ¿ØÖÆ£¬£¬£¬£¬£¬£¬£¬¿É׼ȷ¡¢Àû±ãµÄ¿ØÖÆ50·Î¶ȡ£¡£¡£¡£¡£¡£¡£¡£






ËÄ¡¢×ܽá
1 ¡¢MC200ϵÁÐPLCÅÌËãËÙÂʿ죬£¬£¬£¬£¬£¬£¬ÎȹÌÐԸߡ£¡£¡£¡£¡£¡£¡£¡£
2 ¡¢×Ó³ÌÐò¹¦Ð§£¬£¬£¬£¬£¬£¬£¬ÎÞÐ轫³ÌÐòÈ«·ÅÔÚÖ÷³ÌÐòÖÐÍêȫɨÃ裬£¬£¬£¬£¬£¬£¬ïÔÌÁ˳ÌÐòµ÷ÊÔÖÜÆÚÒÔ¼°É¨Ãèʱ¼ä¡£¡£¡£¡£¡£¡£¡£¡£
3 ¡¢Í¨¹ý±ê×¼ Modbus ÍøÂç¿ØÖÆ±äƵÆ÷£¬£¬£¬£¬£¬£¬£¬½µµÍ±¾Ç®£¬£¬£¬£¬£¬£¬£¬¿¹×ÌÈÅÐԺᣡ£¡£¡£¡£¡£¡£¡£
4 ¡¢ ViewPanel ÊÇÒ»¿îWilliamHillÖÐÎĹٷ½ÍøÕ¾µçÆø×é̬Èí¼þ£¬£¬£¬£¬£¬£¬£¬ÓëWilliamHillÖÐÎĹٷ½ÍøÕ¾µçÆø MZ600 ϵÁд¥ÃþÆÁÎÞ·ìÅþÁ¬¡£¡£¡£¡£¡£¡£¡£¡£¼´ ViewPanel Óë MZ600 ´¥ÃþÆÁ¹²Óà View Builder ¿ª·¢Æ½Ì¨¡£¡£¡£¡£¡£¡£¡£¡£Éè¼ÆÕ߱༺ýçÃæºó£¬£¬£¬£¬£¬£¬£¬¿É×ÔÓÉÑ¡ÔñʹÓô¥ÃþÆÁ»òÊÇʹÓÃ×é̬Èí¼þÀ´ÔËÐпØÖÆ£¬£¬£¬£¬£¬£¬£¬¶øÎÞÐèÖØ¸´Éè¼Æ½çÃæ¡£¡£¡£¡£¡£¡£¡£¡£
5 ¡¢ MTC ÊÇÒ»¿îWilliamHillÖÐÎĹٷ½ÍøÕ¾µçÆø×ÔÖ÷Ñз¢µÄζȿØÖÆÆ÷£¬£¬£¬£¬£¬£¬£¬×Ô´ø PID ×ÔÕû¶¨ºÍ¶à¶ÎζȿØÖƹ¦Ð§£¬£¬£¬£¬£¬£¬£¬¿ØÎ¾«¶È¸ß¡£¡£¡£¡£¡£¡£¡£¡£